Produktbeschreibung
PV -Solarmodul mit hoher Zell -Effizienz mit hochwertigem Siliziummaterial für langfristige Ausgangsstabilität und Zuverlässigkeit.
Strenge Qualitätskontrolle für die höchsten internationalen Standards.
Hohe Durchlässigkeit, niedrigem, eisengeschütztes Glas mit verbesserter Steifheit und Aufprallwiderstand.
Einzigartiges Rahmendesign mit hoher mechanischer Festigkeit für die einfache Installation.
Fortgeschrittenes Kapselungsmaterial mit mehrschichtiger Blechlaminierung, um eine langjährige und verbesserte Zellleistung zu gewährleisten.
Hervorragende elektrische Leistung unter hohen Temperatur- und niedrigen Bestrahlungsstärken.
Parameter
|
Elektrische Eigenschaften (STC*) |
|||||||||||||
|
Modell Nr. (SFM) |
340W |
345W |
350W |
355W |
360W |
365W |
370W |
375W |
380W |
385W |
390W |
395W |
400W |
|
Maximale Leistung bei STC (PMAX) |
340W |
345W |
350W |
355W |
360W |
365W |
370W |
375W |
380W |
385W |
390W |
395W |
400W |
|
Maximale Leistungsspannung (VMP) |
36.89 |
36.95 |
37.03 |
37.12 |
37.21 |
37.30 |
37.39 |
37.48 |
37.57 |
37.66 |
37.75 |
37.84 |
37.93 |
|
Maximaler Leistungsstrom (Imp) |
9.22 |
9.34 |
9.45 |
9.56 |
9.67 |
9.79 |
9.90 |
10.00 |
10.11 |
10.22 |
10.33 |
10.44 |
10.55 |
|
Open Lawn -Spannung (VOC) |
44.16 |
44.33 |
44.44 |
44.54 |
44.65 |
44.76 |
44.87 |
44.98 |
45.08 |
45.19 |
45.30 |
45.41 |
45.52 |
|
Kurzschlussstrom (ISC) |
10.05 |
10.18 |
10.40 |
10.52 |
10.64 |
10.76 |
10.89 |
11.01 |
11.13 |
11.25 |
11.36 |
11.48 |
11.60 |
|
Maximale Systemspannung (v) |
1000 V DC (IEC) |
||||||||||||
|
Maximale Serien Sicherungsbewertung (a) |
15A |
||||||||||||
|
Leistungstoleranz (%) |
0-+3% |
||||||||||||
|
Noct |
45 ± 2 Grad |
||||||||||||
|
PMAX -Temperaturkoeffizient |
-0. 46%\/ Grad |
||||||||||||
|
VOC -Temperaturkoeffizient |
-0. 346%\/ Grad |
||||||||||||
|
ISC -Temperaturkoeffizient |
0. 065%\/ Grad |
||||||||||||
|
Betriebstemperatur |
-40 ~ +85 Grad |
||||||||||||
|
*STC (Standard -Testzustand): Bestrahlung 1000W\/㎡, Modultemperatur 25 Grad, AM1.5 |
|||||||||||||
|
Das Beste in der Klasse AAA Solar Simulator (IEC 60904-9) wird verwendet, mit Leistungsmessunsicherheit innerhalb von ± 3% |
|||||||||||||
| Mechanische Eigenschaften | |
|
Solarzellen |
72 (6 × 12)) monokristalline Silizium-Solarzellen 156 (158) × 156 (158) mm |
|
Frontglas |
3,2 mm (0. 13in) Hochtransmissions-Temperaturglas |
|
Kapiteller |
EVA (Ethylen-Vinylacetat) |
|
Rahmen |
Doppelschichtige Aluminiumlegierung anodiert |
|
Anschlussdose |
IP67 bewertet, mit wartbaren Bypass -Dioden |
|
Kabel |
UV -resistentes Solarkabel (optional) |
|
Anschlüsse |
MC4 -kompatible Anschlüsse (optional) |
|
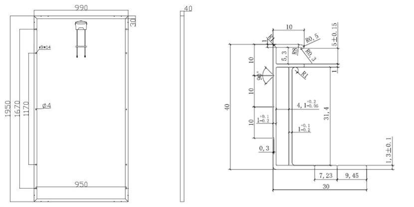
Abmessungen (L × W × H) |
1950 × 990 × 40 mm\/1980 × 1000 × 40 mm |
|
Gewicht |
22 kg |
|
Max.load |
Windlast: 2400PA\/Schneelast: 5400pa |
Engineering Drwaings (MM)

Besonderheit
- Zuverlässig
El getestete Sonnenmodule; Keine Hot-Spot-Heizung garantiert
Autorisierte UL 1703 Photo-Voltaik-Module und Panels
Hocheffizienz Solarzellen, Aluminiumrahmen -Solarzable
- Dauerhaft
In der Lage, starke Winde, bis zu 2400 PA und Schneeladungen von 5400 PA zu starten
Korrosionsbeständige Aluminiumrahmen für den längeren Gebrauch im Freien
Anti-reflektierende, hohe Transparenz, mit Eisen temperiertes Glas mit verbesserter Steifheit und Aufprallresistenz
IP67 bewertete Anschlusskasten bietet einen vollständigen Schutz vor Umweltpartikeln und Wasserjets mit niedrigem Druck
- Vielseitig
Kann für viele verschiedene Anwendungen verwendet werden, sogar für Arbeitschuppen, Garagen oder Camps, die ideal für Wohn- und Gewerbedachesysteme
Gemahlener Bergkompatibel
Kompatibel mit Wechselrichtern vor dem Gitter und nicht
Anwendung
Solarpanelanwendungen umfassen verschiedene Wohnanwendungen wie Solarbeleuchtung, Heiz- und Lüftungssysteme. Viele kleine Geräte nutzen Solarenergie für den Betrieb, wie Taschenrechner, Skalen, Spielzeug und mehr. Landwirtschaft und Gartenbau verwenden auch Sonnenenergie für den Betrieb verschiedener Hilfsmittel wie Wasserpumpen und Pflanzentrocknungsmaschinen. Solarenergie verfügt auch über verschiedene industrielle Anwendungen, die von der Leistung abgelegener Standorte bis hin zu Transportsignalen, Leuchttürmen, Offshore -Navigationssystemen und vielem mehr reicht.
Verpackung
| Packungskonfiguration | |
|
Packungsmenge |
25pcs\/Karton |
|
Menge\/Palette |
50pcs\/Palette |
|
Ladekapazität |
598pcs\/40ft |
Zertifikat

OEM- oder ODM -Service verfügbar
* Garantie: 25 Jahre
* Zertifizierungen können unterstützt werden
* Die Probe zum Testen wird unterstützt
* After-Sale-Service: 24-Stunden-Hot-Linie für Beratung und technische Unterstützung
Warum uns wählen? -QC
- 100% Zellensortierung
Sicherstellen Sie Farb- und Leistungsunterschiede.
Gewährleistung hoher Erträge, konsistenter Leistung und Haltbarkeit,
- 100% Inspektion
Vor und nach der Lamination.
Die strengsten Akzeptanzkriterien und die engste Toleranz,
Intelligenter Alarm und Stoppmechanismus bei Abweichungen oder Fehlern.
- 100% EL -Tests
Vor und nach Laminierung
Stellen Sie vor der endgültigen Inspektion, der kontinuierlichen Linienüberwachung für jede Zelle und jedes Panel, "Zero" -Mikro -Rissüberwachung sichergestellt.
- 100% "Null"
Defekte objektiv vor dem Versand.
Die strengsten Akzeptanzkriterien und die engste Toleranz,
Stellen Sie die besten Module auf dem Markt sicher- garantiert!
- 100% optimale Tests
Umfassendes QC -Informationsmanagementsystem mit Barcode -ID. Das Qualitäts -Traotable -System vorhanden, um den Qualitätsdatenfluss ständig zu ermöglichen.
Beliebte label: 300W Solarpanel, Lieferanten, Hersteller, Fabrik, maßgeschneidert, Großhandel, Kaufen, Preis, Beste, zum Verkauf

