Produktbeschreibung
Das SFM 170- Watt Mono-kristalline PV-Solarmanbieter verwendet hocheffiziente Solarzellen aus hochwertigem Siliziummaterial für Effizienz, Langzeitausgangsstabilität und Zuverlässigkeit. Praktisch wartungsfrei. Hohe Transmission, niedrigem, eisengeschütztes Glas für die Haltbarkeit und eine verstärkte Aufprallfestigkeit.
Mit importierten und häuslichen Materialien hergestellt
Schwarzer Rahmen mit schwarzem Rückenblatt
Positive Leistungstoleranz (0 bis +3%)
Einzigartiges Rahmendesign mit starker mechanischer Stärke für bis zu 50 Pfund. Windlast und Schneeladung und einfache Installation
Hervorragende elektrische Leistung unter hohen Temperaturen und schwachen Lichtumgebungen
Bypass -Dioden mildern Schattierungseffekte in Reihe von Zeichenfolgen
Parameter
| Elektrische Eigenschaften (STC*) | |||||||
| Modell Nr. (SFM) |
150W |
155W |
160W |
165W |
170W |
175W |
180W |
|
Maximale Leistung bei STC (PMAX) |
150W |
155W |
160W |
165W |
170W |
175W |
180W |
|
Maximale Leistungsspannung (VMP) |
18.02 |
18.10 |
18.20 |
18.41 |
18.56 |
18.78 |
19.01 |
|
Maximaler Leistungsstrom (Imp) |
8.33 |
8.56 |
8.80 |
8.96 |
9.15 |
9.35 |
9.47 |
|
Open Lawn -Spannung (VOC) |
21.62 |
21.72 |
21.84 |
22.09 |
22.27 |
22.54 |
22.62 |
|
Kurzschlussstrom (ISC) |
9.07 |
9.33 |
9.58 |
9.77 |
9.94 |
10.16 |
10.32 |
|
Maximale Systemspannung (v) |
1000 V DC (IEC) | ||||||
|
Maximale Serien Sicherungsbewertung (a) |
15A | ||||||
|
Leistungstoleranz (%) |
0-+3% | ||||||
|
Noct |
45 ± 2 Grad | ||||||
|
PMAX -Temperaturkoeffizient |
-0. 46%\/ Grad | ||||||
|
VOC -Temperaturkoeffizient |
-0. 346%\/ Grad | ||||||
|
ISC -Temperaturkoeffizient |
0. 065%\/ Grad | ||||||
|
Betriebstemperatur |
Von -40 nach +85 Grad | ||||||
| *STC (Standard -Testzustand): Bestrahlung 1000W\/㎡, Modultemperatur 25 Grad, AM1.5 | |||||||
| Das beste Solarsimulator der Klasse AAA (IEC {60904-9) wird verwendet, mit Leistungsmessunsicherheit innerhalb von ± 3% | |||||||
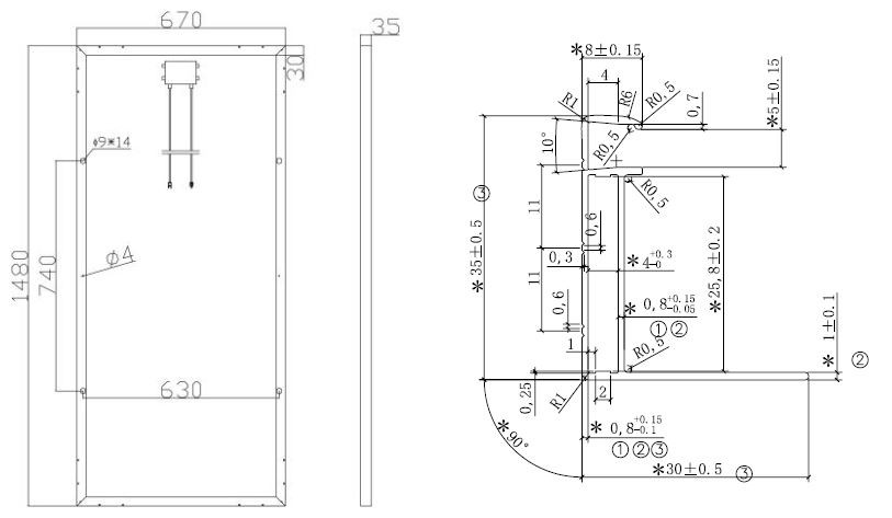
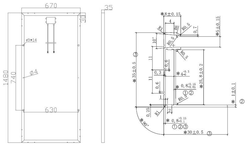
Ingenieurzeichnungen (MM)

| Mechanische Eigenschaften | |
|
Solarzellen |
36 (4 × 9) monokristalline Silizium-Solarzellen 156 × 156 mm |
|
Frontglas |
3,2 mm (0. 13in) Hochtransmissions-Temperaturglas |
|
Kapiteller |
EVA (Ethylen-Vinylacetat) |
|
Rahmen |
Doppelschichtige Aluminiumlegierung anodiert |
|
Anschlussdose |
IP67 bewertet, mit wartbaren Bypass -Dioden |
|
Kabel |
UV -resistentes Solarkabel (optional) |
|
Anschlüsse |
MC4 -kompatible Anschlüsse (optional) |
|
Abmessungen (L × W × H) |
1480 × 670 × 35 mm |
|
Gewicht |
12 kg |
|
Max.load |
Windlast: 2400PA\/Schneelast: 5400pa |
| Packungskonfiguration | |
|
Packungsmenge |
2pcs\/Karton |
|
Menge\/Palette |
50pcs\/Palette |
|
Ladekapazität |
569pcs\/20ft, 1180pcs\/40ft |
Besonderheit
Anti-Refektionglas erhöht die Energieabsorption, während die oberen und unteren Silberanschlüsse durch schwarze Laschen anstelle einer zusätzlichen Schicht Klebeband oder schwarzer Tedlar ersetzt wurden, wodurch der Effizienzverlust im Vergleich zum äquivalenten weißen Rückblatt minimiert wird und das Risiko von Zellmikro-Rissen aufgrund einer niedrigeren Laminatdicke verringert wird.
Selbst bei hohen Temperaturen kann die Solarzelle eine höhere Effizienz aufrechterhalten als eine herkömmliche kristalline Silizium -Solarzelle. Dies ist besonders relevant für "All-Black" -Module, bei denen die Wärmeabsorption größer ist. Der Sufu liefert die beste Leistung, wenn der größte Teil der Strom im Sommer erzeugt wird. Dies ist besonders relevant in heißen Klimazonen. Kann für viele verschiedene Anwendungen, sogar Arbeitsschuppen, Garagen oder Camps verwendet werden
Gemahlener Bergkompatibel
Kompatibel mit Wechselrichtern vor dem Gitter und nicht
Schwarze Sonnenkollektoren für Wohn- und Gewerbeanwendungen, bei denen ein visuell ansprechendes Solarpanel und die maximale Effizienz von größter Bedeutung sind.
Über uns
Qinhuangdao Sufu Electronic Co., Ltd ist ein modernes Solarmodul, Solarsystemlösungen und Service -Lieferant. Unsere Solarprodukte reichen von Solarmodulen bis hin zu Solarstromsystemen, Solar-Straßenlaternen, multifunktionalen Solarladegeräten, Solarpumpen und Photo-Voltaik-Kraftstationen, Gebäuden angeschlossenes Photovoltaik (BAPV), das Design und die Konstruktion von integriertem Photovoltaik (BIPV).
Die erste Phase -Investition über Workshops von 30, 000 ㎡, beträgt 20 Millionen RMB mit unserer jährlichen Produktionskapazität von 20 MW sowohl für Mono- als auch für Poly -Solarmodule.
Sufu bietet den weltweit zuverlässigen und erneuerbaren Produkten, die international mit TUV, CE, IEC und ISO9001 usw. zertifiziert sind.
Das Produkt gilt für eine breite Palette von Kunden, darunter Australien, Indien, Japan, Korea, Südamerika, Naher Osten, Südostasien, Afrika und andere Länder.
Zertifikat

Warum uns wählen?
1. Wir haben unsere eigene Fabrik mit Professional for Solar Panel und System über 10 Jahre.
2. Wir haben ein starkes F & E -Team.
3. Angebot OEM -Service für Ihre Bestellung.
4. Antworten Sie innerhalb von 12 Stunden.
5. Bieten Sie einen wettbewerbsfähigen Preis an, guten After-Sales-Service.
FAQ
F: Warum wählen Sie Sufu?
A: Weil wir seit mehr als 11 Jahren professioneller Hersteller von Solarzubehör sind. Wir haben ausgezeichnete Rohlieferanten und ein starkes Engineering -Team.
F: Was ist die Lieferzeit?
A: Innerhalb von 15 Tagen nach der Bestellung durch Vorauszahlung bestätigt.
F: Was sind Ihre Garantiebedingungen?
A: Wir bieten eine unterschiedliche Garantiezeit für verschiedene Komponenten an. Bitte kontaktieren Sie uns für Einzelheiten.
F: Wie wäre es mit Ihrem Qualitätskontrollsystem?
A: Qualität ist Priorität. Die Qualitätskontrolle von Anfang bis Ende der Produktion stellt immer eine große Bedeutung. Jedes Produkt wird vor dem Verpacken und Versand voll montiert und sorgfältig getestet.
Beliebte label: Solarmodule sind alle schwarz, Lieferanten, Hersteller, Fabrik, maßgeschneidert, Großhandel, Kauf, Preis, Best, zum Verkauf

